產品名稱:CH-1B輪輻式測力傳感器
	
產品特點:CH-1B輪輻式測力傳感器采用優質不銹鋼材質,具有高精度,高穩定性,低外形,安裝簡便、快速等特點。適用于試驗機。
	
量程:500kg,1t,2t,5t,10t
	
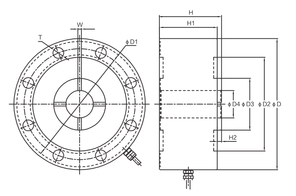
外形尺寸:
	
 
| 
				 量程(kN)  | 
			
				 
					  | 
			
				 D  | 
			
				 D1  | 
			
				 D2  | 
			
				 D3  | 
			
				 D4  | 
			
				 H  | 
			
				 H1  | 
			
				 H2  | 
			
				 W  | 
			
				 T  | 
		
| 
				 5-100  | 
			
				 mm  | 
			
				 118  | 
			
				 100  | 
			
				 82  | 
			
				 36  | 
			
				 24  | 
			
				 50  | 
			
				 43  | 
			
				 6.5  | 
			
				 4x5.1  | 
			
				 8xφ9  | 
		
	
	
技術參數:
| 
				 技術參數  | 
			
				 
					  | 
			
				 
					  | 
			
				 
					  | 
		
| 
				 額定輸出  | 
			
				 2.0mV/V±0.002  | 
			
				 輸入阻抗  | 
			
				 385±10Ω  | 
		
| 
				 非線性  | 
			
				 ±0.05%F.S  | 
			
				 輸出阻抗  | 
			
				 351±3Ω  | 
		
| 
				 滯后性  | 
			
				 <±0.05%F.S  | 
			
				 絕緣電阻  | 
			
				 ≥5000MΩ  | 
		
| 
				 重復性  | 
			
				 <±0.05%F.S  | 
			
				 允許激勵電壓  | 
			
				 5~15V/DC  | 
		
| 
				 蠕變  | 
			
				 <±0.05%F.S/30min  | 
			
				 補償溫度范圍  | 
			
				 -10℃~+40℃  | 
		
| 
				 零點溫度影響  | 
			
				 <±0.03%/10℃  | 
			
				 工作溫度范圍  | 
			
				 -30℃~+70℃  | 
		
| 
				 輸出溫度影響  | 
			
				 <±0.03%/10℃  | 
			
				 安全過載  | 
			
				 150%F.S  | 
		
| 
				 零點平衡  | 
			
				 <±1%F.S  | 
			
				 極限過載  | 
			
				 300%F.S  | 
		
| 
				 接線方式  | 
			
				 激勵:+紅 -黑 信號:+綠 -白 屏蔽:黃粗  | 
		||






 全國服務熱線
	





15621850939
2370849295@qq.com
2370849295
山東省濟南市市中區二環西路大廟屯工業園