產品名稱:CH-XSBC 懸臂梁稱重傳感器
產品特點:CH-XSBC采用優質合金鋼材質,具有高精度、高穩定性等特點,安裝簡便、快速,適用于攪拌站、皮帶秤、配料秤和平臺秤等。
量程:5kN(500kg)、10kN(1t)、20kN(2t)、30kN(3t)
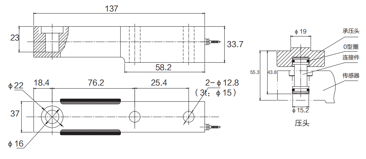
外形尺寸:
技術參數:
|
技術參數 |
|
|
|
|
額定輸出 |
2.0mV/V±1% |
零點平衡 |
±1%F.S |
|
綜合精度 |
0.03%F.S |
輸入阻抗 |
380±5Ω |
|
線性、滯后性 |
±0.03%F.S |
輸出阻抗 |
350±3Ω |
|
重復性 |
±0.03%F.S |
絕緣電阻 |
≥5000MΩ |
|
蠕變 |
±0.03%F.S/30min |
允許工作電壓 |
5~15V/DC |
|
零點溫度影響 |
±0.03%/10℃ |
工作溫度范圍 |
-30℃~+70℃ |
|
輸出溫度影響 |
±0.03%/10℃ |
安全過載 |
150%F.S |
|
接線方式 |
激勵:+紅 -黑 信號:+綠 -白 屏蔽:黃 |
||






全國服務熱線







15621850939
2370849295@qq.com
2370849295
山東省濟南市市中區二環西路大廟屯工業園