產品名稱:CH-XSQB 懸臂梁傳感器
產品特點:CH-XSQB采用優質合金鋼材質,具有高精度、高穩定性等特點,安裝簡便、快速,適用于攪拌站、皮帶秤、配料秤和平臺秤等。
量程:500N(50kg)、500N(50kg) 、1 kN(100kg) 、2 kN(200kg) 、3 kN(300kg) 、5kN(500kg)、10 kN(1t)、20 kN(2t)、25kN(2.5t) 、30 kN(3t)、50 kN(5t)
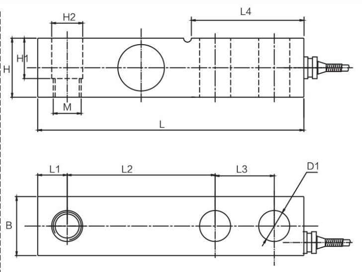
外形尺寸:
|
量程 |
量程 |
|
L |
L1 |
L2 |
L3 |
L4 |
B/H |
H1 |
H2 |
M |
D1 |
|
0.5kN |
50kg |
mm |
130 |
22 |
76.2 |
25.4 |
53.5 |
31.8 |
15.7 |
Φ13.5 |
M12x1.75 |
Φ13 |
|
1-2.5kN |
100kg-2.5t |
mm |
130 |
22 |
76.2 |
25.4 |
53.5 |
31.8 |
15.7 |
Φ18.5 |
M16x2 |
Φ13 |
|
30-50kN |
3t-5t |
mm |
171.5 |
19 |
95.3 |
38.1 |
72.5 |
38.1 |
26 |
Φ20 |
M18x1.5 |
Φ20 |
|
100kN |
10t |
mm |
225.5 |
25.3 |
124 |
50.8 |
102 |
50.8 |
25.4 |
Φ27 |
M24x2 |
Φ27 |
技術參數:
|
技術參數 |
|
|
|
|
額定輸出 |
2.0mV/V±1% |
零點平衡 |
±1%F.S |
|
綜合精度 |
0.03%F.S |
輸入阻抗 |
380±5Ω |
|
線性、滯后性 |
±0.03%F.S |
輸出阻抗 |
350±3Ω |
|
重復性 |
±0.03%F.S |
絕緣電阻 |
≥5000MΩ |
|
蠕變 |
±0.03%F.S/30min |
允許工作電壓 |
5~15V/DC |
|
零點溫度影響 |
±0.03%/10℃ |
工作溫度范圍 |
-30℃~+70℃ |
|
輸出溫度影響 |
±0.03%/10℃ |
安全過載 |
150%F.S |
|
接線方式 |
激勵:+紅 -黑 信號:+綠 -白 屏蔽:黃 |
||






全國服務熱線







15621850939
2370849295@qq.com
2370849295
山東省濟南市市中區二環西路大廟屯工業園