產品名稱:CH-SJTT輪輻式測力傳感器
	
產品特點:CH-SJTT輪輻式測力傳感器采用優質不銹鋼材質或優質鋁合金材質(200kg),具有高精度,高穩定性,低外形,安裝簡便、快速等特點。適用于試驗機,可做拉壓雙向使用。
	
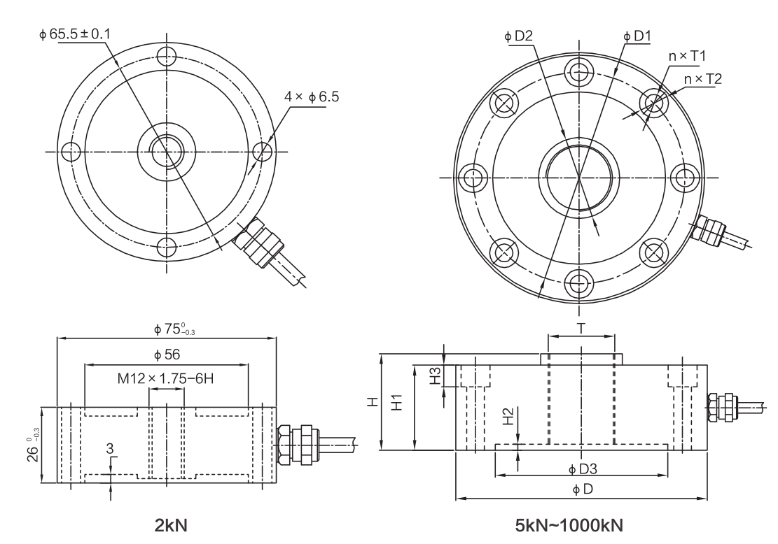
量程:2kN(200kg)、5kN(500kg)、10 kN(1t)、15 kN(1.5t)、20 kN(2t)、25 kN(2.5t)、30 kN(3t)、50 kN(5t)、100 kN(10t)、200 kN(20t)、300 kN(30t)、500kN(50t)、1000kN(100t).
	
外形尺寸:
	
 
	
	
| 
				 量程(kN)  | 
			
				 
					  | 
			
				 D  | 
			
				 D1  | 
			
				 D2  | 
			
				 D3  | 
			
				 H  | 
			
				 H1  | 
			
				 H2  | 
			
				 H3  | 
			
				 T  | 
			
				 n*T1  | 
			
				 n*T2  | 
		
| 
				 5-10  | 
			
				 mm  | 
			
				 90  | 
			
				 78  | 
			
				 22  | 
			
				 65  | 
			
				 40  | 
			
				 43  | 
			
				 3.0  | 
			
				 6  | 
			
				 M12x1.75  | 
			
				 8xφ6.6  | 
			
				 8xφ10.5  | 
		
| 
				 15-25  | 
			
				 mm  | 
			
				 105  | 
			
				 89  | 
			
				 32  | 
			
				 75  | 
			
				 35  | 
			
				 32  | 
			
				 3.0  | 
			
				 7.2  | 
			
				 M16x2  | 
			
				 8xφ7.2  | 
			
				 8xφ10.5  | 
		
| 
				 50-100  | 
			
				 mm  | 
			
				 138  | 
			
				 110  | 
			
				 44  | 
			
				 88  | 
			
				 46  | 
			
				 41  | 
			
				 3.0  | 
			
				 12  | 
			
				 M27x2  | 
			
				 8xφ13.2  | 
			
				 8xφ19  | 
		
| 
				 200-300  | 
			
				 mm  | 
			
				 165  | 
			
				 130  | 
			
				 55  | 
			
				 96  | 
			
				 50  | 
			
				 41  | 
			
				 3.0  | 
			
				 20  | 
			
				 M36x2  | 
			
				 8xφ21  | 
			
				 8xφ31  | 
		
| 
				 500  | 
			
				 mm  | 
			
				 234  | 
			
				 194  | 
			
				 --  | 
			
				 150  | 
			
				 60  | 
			
				 55  | 
			
				 4.7  | 
			
				 22  | 
			
				 M52x2  | 
			
				 16xφ21  | 
			
				 16xφ32  | 
		
| 
				 1000  | 
			
				 mm  | 
			
				 258  | 
			
				 218  | 
			
				 --  | 
			
				 174  | 
			
				 60  | 
			
				 57  | 
			
				 3.0  | 
			
				 22  | 
			
				 M76x2  | 
			
				 16xφ21  | 
			
				 16xφ32  | 
		
	
	
技術參數:
| 
				 技術參數  | 
			
				 
					  | 
			
				 
					  | 
			
				 
					  | 
		
| 
				 額定輸出  | 
			
				 3.0mV/V±0.003  | 
			
				 輸入阻抗  | 
			
				 385±10Ω  | 
		
| 
				 非線性  | 
			
				 ±0.05%F.S  | 
			
				 輸出阻抗  | 
			
				 351±3Ω  | 
		
| 
				 滯后性  | 
			
				 <±0.05%F.S  | 
			
				 絕緣電阻  | 
			
				 ≥5000MΩ  | 
		
| 
				 重復性  | 
			
				 <±0.05%F.S  | 
			
				 允許激勵電壓  | 
			
				 5~15V/DC  | 
		
| 
				 蠕變  | 
			
				 <±0.05%F.S/30min  | 
			
				 補償溫度范圍  | 
			
				 -10℃~+40℃  | 
		
| 
				 零點溫度影響  | 
			
				 <±0.03%/10℃  | 
			
				 工作溫度范圍  | 
			
				 -30℃~+70℃  | 
		
| 
				 輸出溫度影響  | 
			
				 <±0.03%/10℃  | 
			
				 安全過載  | 
			
				 120%F.S  | 
		
| 
				 零點平衡  | 
			
				 <±1%F.S  | 
			
				 極限過載  | 
			
				 150%F.S  | 
		
| 
				 接線方式  | 
			
				 激勵:+紅 -黑 信號:+綠 -白 屏蔽:黃粗  | 
		||






 全國服務熱線
	





15621850939
2370849295@qq.com
2370849295
山東省濟南市市中區二環西路大廟屯工業園