產品名稱:CH-KH輪輻式測力傳感器
產品特點:CH-KH輪輻式測力傳感器采用優質不銹鋼材質,具有高精度,高穩定性,低外形,安裝簡便、快速等特點。適用于試驗機。
量程:300kN(30t)
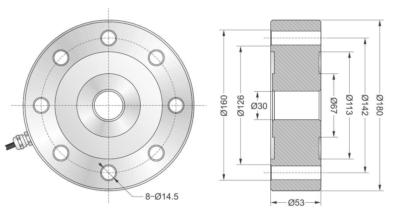
外形尺寸:
技術參數:
|
技術參數 |
|
|
|
|
額定輸出 |
3.0mV/V±0.003 |
輸入阻抗 |
775±20Ω |
|
非線性 |
±0.05%F.S |
輸出阻抗 |
700±5Ω |
|
滯后性 |
<±0.05%F.S |
絕緣電阻 |
≥5000MΩ |
|
重復性 |
<±0.05%F.S |
允許激勵電壓 |
5~15V/DC |
|
蠕變 |
<±0.05%F.S/30min |
補償溫度范圍 |
-10℃~+40℃ |
|
零點溫度影響 |
<±0.03%/10℃ |
工作溫度范圍 |
-30℃~+70℃ |
|
輸出溫度影響 |
<±0.03%/10℃ |
安全過載 |
150%F.S |
|
零點平衡 |
<±1%F.S |
極限過載 |
300%F.S |
|
接線方式 |
激勵:+紅 -黑 信號:+綠 -白 屏蔽:黃粗 |
||






全國服務熱線







15621850939
2370849295@qq.com
2370849295
山東省濟南市市中區二環西路大廟屯工業園