產品名稱:CH-SD S型傳感器
產品特點:CH-SD采用優質合金鋼材質,具有高精度,高穩定性,低外形,安裝簡便、快速等特點。適用于試驗機、配料秤、攪拌站、皮帶秤和包裝秤等,多做拉力使用,也可壓用。
量程:500N(50kg)、1kN(100kg)、2kN(200kg)、3kN(300kg)、5kN(500kg)、10 kN(1t)、2 0kN(2t)、30 kN(3t)、50 kN(5t)
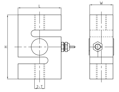
外形尺寸:
|
量程(kN) |
量程(t) |
|
L |
H |
W |
T |
|
0.5-5 |
0.05-0.5 |
mm |
51 |
76 |
19 |
M12 |
|
10 |
1 |
mm |
51 |
76 |
25 |
M12 |
|
20-50 |
2-5 |
mm |
76 |
108 |
25 |
M18x1.5 |
技術參數:
|
技術參數 |
|
|
|
|
額定輸出 |
2.0mV/V±1% |
零點平衡 |
±1%F.S |
|
綜合精度 |
0.03%F.S |
輸入阻抗 |
385±10Ω |
|
線性、滯后性 |
±0.03%F.S |
輸出阻抗 |
350±3Ω |
|
重復性 |
±0.03%F.S |
絕緣電阻 |
≥5000MΩ |
|
蠕變 |
±0.03%F.S/30min |
允許工作電壓 |
5~15V/DC |
|
零點溫度影響 |
±0.02%/10℃ |
工作溫度范圍 |
-30℃~+70℃ |
|
輸出溫度影響 |
±0.02%/10℃ |
安全過載 |
150%F.S |
|
接線方式 |
激勵:+紅 -黑 信號:+綠 -白 屏蔽:黃 |
||






全國服務熱線







15621850939
2370849295@qq.com
2370849295
山東省濟南市市中區二環西路大廟屯工業園