產品名稱:CH-LPE8G單點式稱重傳感器
	
產品特點:CH-LPE8G單點式稱重傳感器為單點承載結構,產品結構形式簡單,使用方便,通過四角調整保證其在規定的受載平面內各點輸出一致。CH-LPE8G鋼制平行梁稱重傳感器采用金屬外殼防護。適用于包裝秤、電子皮帶秤及配料秤等。
	
量程:500N(50kg)、1 kN(100kg)、1.5 kN(150kg)、2 kN(200kg)、3 kN(300kg)、5 kN(500kg)、7 kN(700kg)、10 kN(1000kg)
	
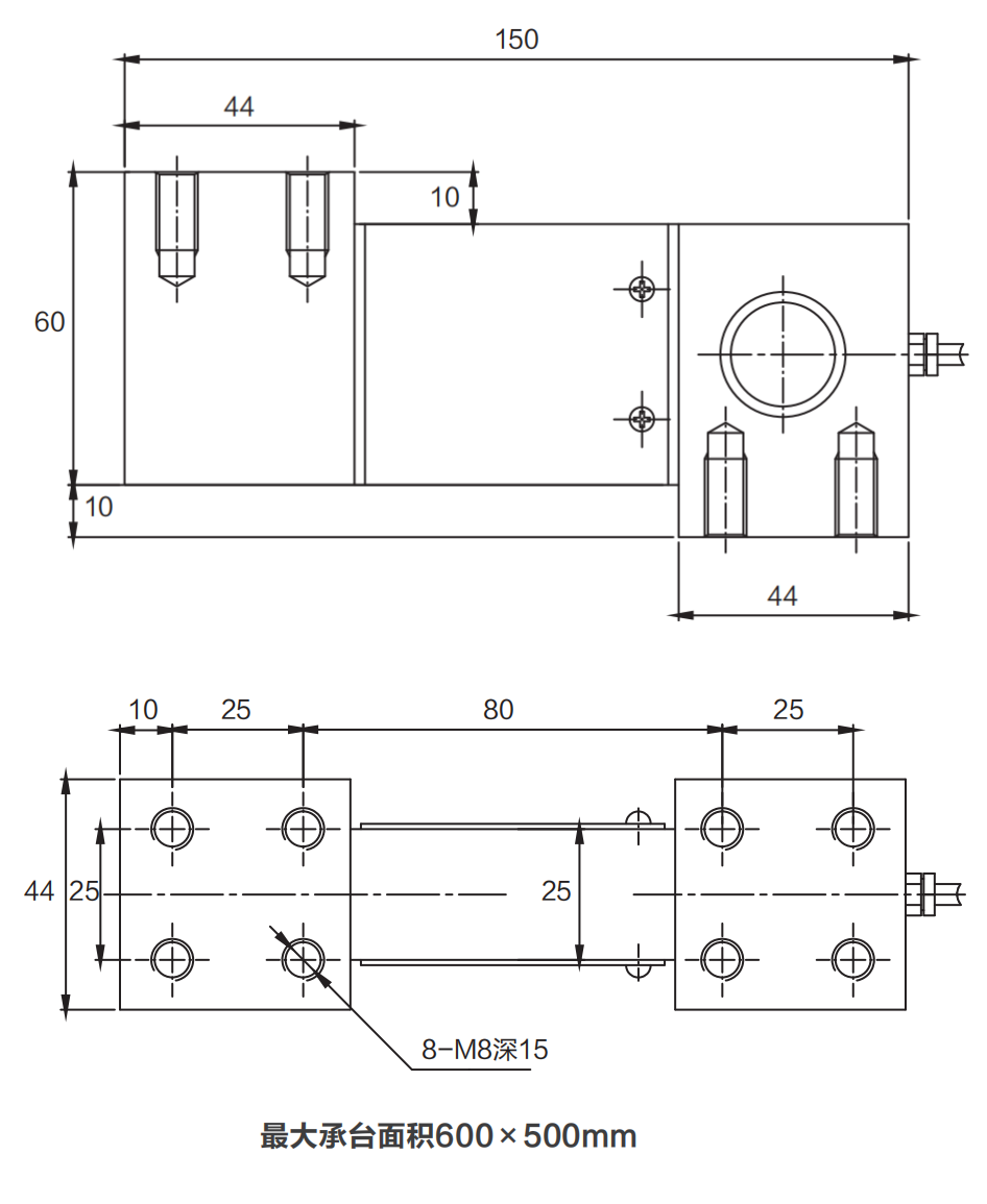
外形尺寸:
	
 
	
技術參數:
| 
				 CH-LPE8G 技術參數  | 
			
				 
					  | 
			
				 
					  | 
			
				 
					  | 
		
| 
				 額定輸出  | 
			
				 2.0mV/V±10%  | 
			
				 輸入阻抗  | 
			
				 410±15Ω  | 
		
| 
				 非線性  | 
			
				 ±0.02%F.S  | 
			
				 輸出阻抗  | 
			
				 350±5Ω  | 
		
| 
				 滯后性  | 
			
				 <±0.02%F.S  | 
			
				 絕緣電阻  | 
			
				 ≥5000MΩ  | 
		
| 
				 重復性  | 
			
				 <±0.02%F.S  | 
			
				 允許激勵電壓  | 
			
				 5~15V/DC  | 
		
| 
				 蠕變  | 
			
				 <±0.02%F.S/30min  | 
			
				 補償溫度范圍  | 
			
				 -10℃~+40℃  | 
		
| 
				 零點溫度影響  | 
			
				 <±0.02%/10℃  | 
			
				 工作溫度范圍  | 
			
				 -30℃~+70℃  | 
		
| 
				 輸出溫度影響  | 
			
				 <±0.02%/10℃  | 
			
				 安全過載  | 
			
				 150%F.S  | 
		
| 
				 零點平衡  | 
			
				 <±1%F.S  | 
			
				 極限過載  | 
			
				 200%F.S  | 
		
| 
				 接線方式  | 
			
				 激勵:+紅 -黑 信號:+綠 -白 屏蔽:黃  | 
		||






 全國服務熱線
	






15621850939
2370849295@qq.com
2370849295
山東省濟南市市中區二環西路大廟屯工業園